欢迎您进入施麦柯传动技术(昆山)有限公司
全国统一咨询热线:0512-57702362
SMC过程控制元件
SMC气缸
SMC电磁阀
SMC摆动气缸/气爪
SMC气控阀
SMC速度控制阀
SMC电动执行器/电缸
SMC真空用元件
SMC真空发生器
SMC真空过滤器
SMC真空吸盘
SMC气源处理元件
SMC三联件/压力控制元件
SMC接头配件
SMC消音器/排气洁净器/
SMC传感器/开关
SMC流体控制元件
SMC过程控制元件
SMC液压元件
SMC化学液用阀/管接头&am
SMC隔膜泵
SMC温控器
SMC工艺气体元件(特气阀
SMC高真空元件
SMC工业用过滤器/烧结金属
课题・行业别产品
新产品信息
您现在所在的位置:首页 > SMC产品信息 > SMC过程控制元件 > SMC执行器

内容

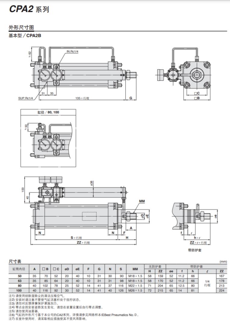
SMCP气缸(带定位器的气缸) CPA2CPS1

人气:188 评论:0 标签:全部

・根据输入信号(空气压)按比例定位气缸。
・带修正动作功能:即使因负载变动而发生位置偏离,也可回到初始位置。

系列缸径行程(mm)空气连接口径供给压力(MPa)输入压力(MPa)
CPA2φ50~10025~300Rc1/4内螺纹0.3~0.70.02~0.1
CPS1φ125~30030~300Rc1/4内螺纹0.3~0.70.02~0.1


评论

  • 管理员刚刚

    暂无任何留言!

苏公网安备 32058302003192号