欢迎您进入施麦柯传动技术(昆山)有限公司
全国统一咨询热线:0512-57702362
SMC电磁阀
SMC气缸
SMC电磁阀
SMC摆动气缸/气爪
SMC气控阀
SMC速度控制阀
SMC电动执行器/电缸
SMC真空用元件
SMC真空发生器
SMC真空过滤器
SMC真空吸盘
SMC气源处理元件
SMC三联件/压力控制元件
SMC接头配件
SMC消音器/排气洁净器/
SMC传感器/开关
SMC流体控制元件
SMC过程控制元件
SMC液压元件
SMC化学液用阀/管接头&am
SMC隔膜泵
SMC温控器
SMC工艺气体元件(特气阀
SMC高真空元件
SMC工业用过滤器/烧结金属
课题・行业别产品
新产品信息

内容

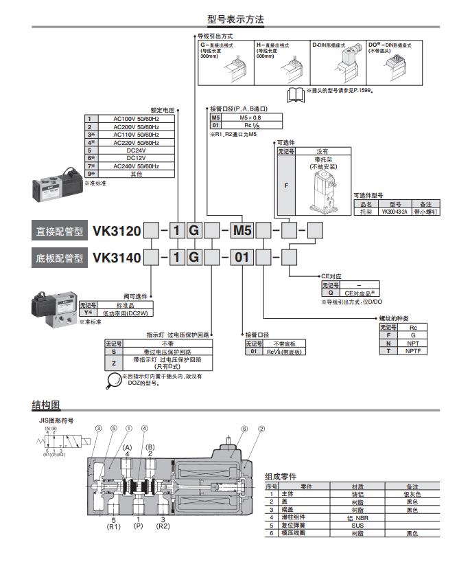
SMC5通电磁阀/直动座阀型 VK3000

人气:212 评论:0 标签:全部

・功率低(2W DC 低功率型)
・0MPa的压力下即可使用。
・可与VK300混合安装。
・集装型号:VV3K3

系列流量特性
4/2→5/3(A/B→R1/R2)
C[dm3/( s・bar)]
流量特性
4/2→5/3(A/B→R1/R2)
b
流量特性
4/2→5/3(A/B→R1/R2)
Cv
消耗功率(W)可真空使用
VK30000.540.120.124.0φ25


评论

  • 管理员刚刚

    暂无任何留言!

苏公网安备 32058302003192号